生产厂商:Biosoft产品类别:其他软件
将普通的办公室扫描仪变成功能强大的密度计,用于分析凝胶,印迹,TLC板等。
用于Windows的QuantiScan具有与复杂的光密度计相似的功能,但价格却低廉。它能够分析各种材料,包括聚丙烯酰胺和琼脂糖凝胶,放射自显影图,TLC板等。该程序将直接从任何TWAIN兼容扫描仪以及大多数BMP,JPG或未压缩的TIF文件接受图像进行分析。对于质量合理的泳道凝胶,分析是高度自动化的,可实现极高的数据通量。使用Quantiscan的手动模式几乎可以分析任何类型的图像。
数字,图形和图像输出可以打印为报告,也可以另存为文件或复制到剪贴板。可以将光密度分布图的X,Y坐标输出到选项卡式表格中,以便在演示图形软件(如Biosoft的FigSys)中进行重新绘图。有一个单独的模块,用于分析不连续的印迹,也可以通过自动或手动印迹检测进行操作。
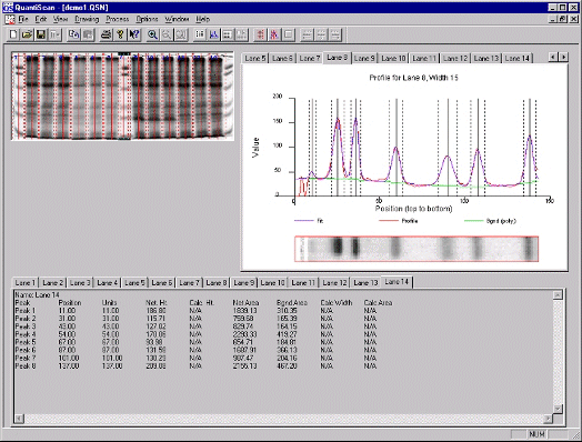
车道分析模式
凝胶具有复杂的泳道处理和分析功能。可以手动创建任何宽度的车道,也可以使用独特的自动车道检测模式来创建。还有一种功能可以自动以规则的间隔设置车道,以用于具有预先配置的规则车道阵列的板。泳道可以倾斜或弯曲,以允许出现凝胶缺陷。可以复制泳道边界,并使用光标键将副本精确地移动到适当的位置,以进行精确比较。每个泳道在其图像和光密度测定图上均可以标有唯一编号。自动背景减法有六个选项:最小值,内插最小值,波谷,边沿,多项式和手动。用户选择的图像区域可以显示为3-D密度图,可以将其打印,保存或复制到剪贴板。
定义车道后,将自动绘制其光密度分布图。然后可以通过在轮廓上手动标记峰的中心和边缘来指定峰,也可以使用复杂的峰搜索例程自动指定峰。在适当的情况下,可以执行高斯峰的自动拟合。这种自动拟合使用最小二乘最小化技术将峰的序列和多项式背景拟合到给定的轮廓。当前所选车道的图像在车道光密度测定曲线下方水平放置。光标控制的垂直线穿过轮廓和车道图像,有助于用户检查峰。可以添加标准车道的图像和配置文件,以便与第一个车道进行比较。可以调整它们的对齐方式,以帮助进行准确的并排比较。峰面积是使用Simpson规则通过积分计算的,如果已使用自动拟合选项,则也会自动计算拟合峰的面积。可以添加标准车道的图像和配置文件,以便与第一个车道进行比较。可以调整它们的对齐方式,以帮助进行准确的并排比较。峰面积是使用Simpson规则通过积分计算的,如果已使用自动拟合选项,则也会自动计算拟合峰的面积。可以添加标准车道的图像和配置文件,以便与第一个车道进行比较。可以调整它们的对齐方式,以帮助进行准确的并排比较。峰面积是使用Simpson规则通过积分计算的,如果已使用自动拟合选项,则也会自动计算拟合峰的面积。
可以对包含标准蛋白质的泳道进行校准,以自动计算分子量。也可以使用已知的标准溶液(例如,分析试剂盒提供的溶液)进行校准(只需输入其起始线的位置,其摩尔重量因数和溶剂前沿的位置,即可自动计算出未知数)。可以保存任何标准泳道的参数以进行板间比较。可以导出校准曲线图及其拟合的坐标。生成所有峰参数的报告,包括位置,高度,宽度。
印迹分析模式
QuantiScan提供了一种单独的模式来分析离散印迹。印迹可以自动检测或手动定义。它们的数量,位置,高度,面积和光密度体积会自动报告。有一个用于自动分析规则排列的印迹的特殊模块。自动背景减法是一个选项。可以基于标准印迹的光密度体积进行校准,这允许将印迹模式用于测定。








